Single-supply PID (proportional-integral-derivative) temperature control loop using INA326/INA327
Source: InternetPublisher:子丑寅卯 Keywords: Temperature control loop Updated: 2025/06/20
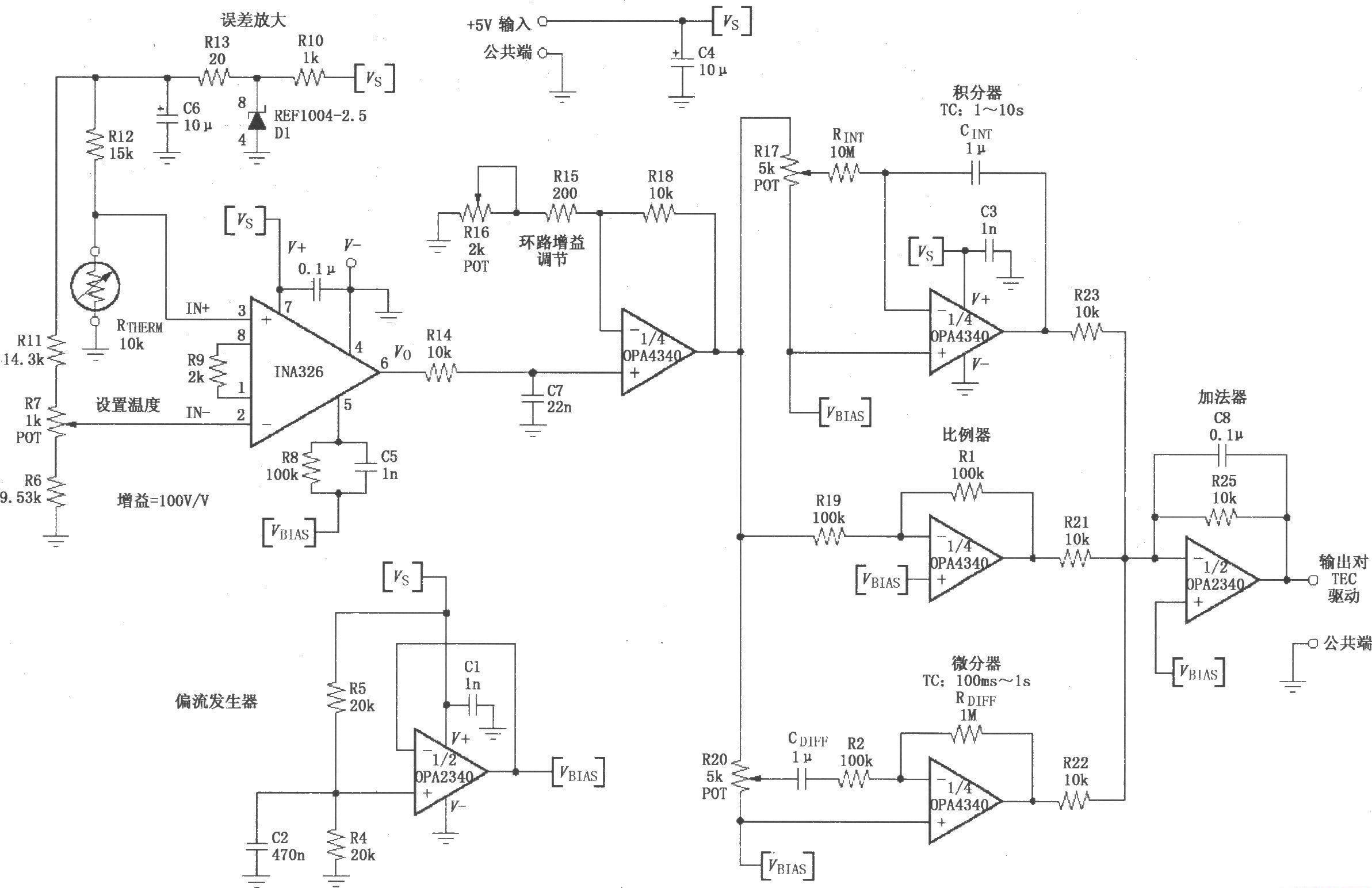
As shown in the figure, it is a single-power PID (proportional-integral-differential) temperature control loop composed of INA326/327. This circuit mainly completes the detection and control of temperature. The thermistor RTHERM detects the temperature, converts the temperature change into an electrical signal and inputs it into INA326/327, amplifies it and outputs it to the op amp 1/4 (OPA4340) for further amplification and adjustment, and then sends it to the proportional circuit, integral circuit, and differential circuit (i.e. PID) composed of three op amps 1/4 (OPA4340) for processing, and finally synthesizes it and outputs it from 1/2 (OPA2340). Potentiometer R7 is used to set the temperature. Adjusting R7 can make the output of thermistor RTHERM zero at the initial temperature, that is, determine the initial temperature point. Potentiometer R16 is used to adjust the loop gain. Adjusting R16 can make the level added to the proportional circuit, integral circuit, and differential circuit at the most appropriate value. Potentiometers R17 and R20 are used to adjust the level applied to the input of the integral circuit and differential circuit respectively, so that it is at the most appropriate value. A voltage follower composed of 1/2 (OPA2340) is used as a bias current generator to provide bias current to each circuit with a low-impedance output.

- Digital power meter
- Analog Capacitor ESR Tester
- Economical and practical three-phase rectifier voltmeter
- Simple photometer
- Small capacitance measurement circuit
- 555 Line Output Transformer Short Circuit Detector
- Homemade electronic load meter
- Temperature measurement circuit using AD7714
- Typical application circuit of integrated current sensor UCC3926
- Single-supply PID (proportional-integral-derivative) temperature control loop using INA326/INA327
- Transistor multiple "1" detection circuit
- Type A5349 AC Smoke Detection Circuit - Typical Application
- Piezoelectric sensor detection circuit
- Current output light detection circuit
- Differential light detection circuit
- HW200 telephone tester detection circuit
- ADM690~ADM695 constitute a detection circuit (2)
- Gas concentration detection circuit
- Carbon dioxide gas sensor detection circuit
- Revolution detection circuit







京公网安备 11010802033920号