0-28V 20A Adjustable Power Supply (Based on LM317 and 2N3055)
Source: InternetPublisher:QABOk9Skkh Keywords: Adjustable power supply LM317 Updated: 2026/03/06

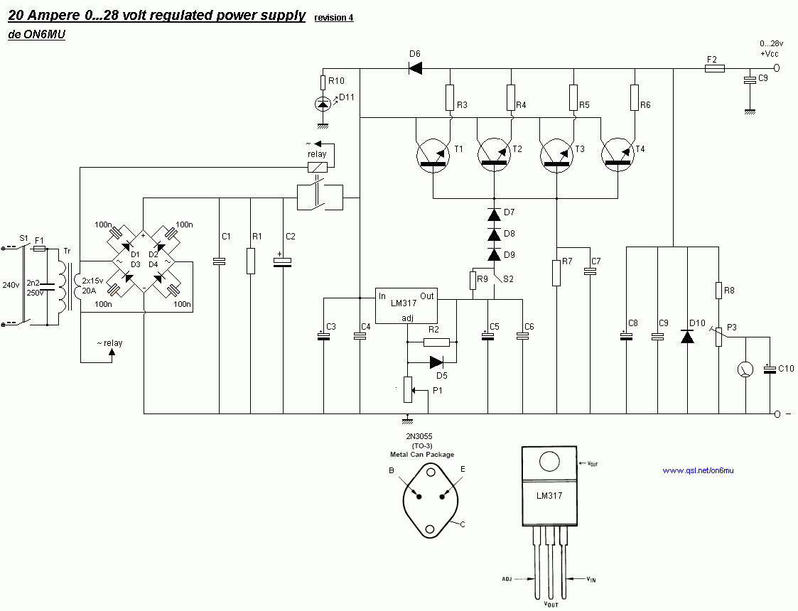
0-28V 20A power supply (LM317, 2N3055)
S2 switches between ±3 amps and full output current.
The relay is used to cut off the power supply voltage when the power supply (S1) is turned off. Therefore, there is no delay caused by the discharge of C2, thus ensuring that the output voltage returns to zero immediately.
Use the MB2504 because it is a 25-amp rectifier bridge and also requires cooling. Alternatively, you can use eight BYW29 8-amp diodes (TO220 package) mounted on a heatsink.
Install a small heatsink on the LM317 IC.
Remember to isolate the 2N3055 transistor from the chassis/heatsink! Use a heatsink of appropriate size and surface area; insulating and thermally conductive pads or at least thin mica; thermal adhesive and thermal paste.
2 x 15 volts ± 20 amperes
D1...D4 = Rectifier bridge MB2504 (25 amps, cooled)
Or eight BYW29 8-amp diodes (TO220 package, cooled)
Alternatively, 8 x MR750 (MR7510) diodes (MR750 = 6 Ampere diodes) or 16 x 1N5401 (1N5408) diodes.
F1 = 2 amperes
F2 = 25 amperes
R1 2.2k 2.5 Watts
R2 240 ohms
R3, R4, R5, R6 0.1 ohms 10 watts
R7 6.8k
R8 10k
R9 47 ohms 1 watt
S2 micro switch
R10 8.2k
C1,C7,C9 47nF
C2: Four 4700uF/50V capacitors or one 22000uF/50V capacitor.
C3, C5 10uF/50v
C4, C6, C9 100nF
C8 330uF/50v
C10 1uF/16v
D5 1N4151
D6 1N5401
D10 MR750
D11 LED
D7, D8, D9 1N4001
IC1 LM317
Two 2N3055 transistors
P1 5k
P3 10k fine-tuning potentiometer
Relay = 30 volt AC, 2 x 10 amp switch
- Fanless silent power supply
- Automatic battery charger
- LM317 power supply circuit
- High-current regulated power supply based on LM317
- Solar cell charger based on LM317
- Simple MOSFET switch
- How to Create a Solar Power Solution
- A flyback converter solution where two outputs are better than one
- Five Easy Steps to Powering Your SoC with a PMIC
- Series and parallel connection of ideal voltage sources
- LED constant current source circuit diagram using LM317
- Three-way DC-DC converter circuit
- Commonly used power circuits in printers
- FGDF-3 three-phase low-temperature iron-plated power supply circuit
- Stabilized power supply circuit that can be controlled by external signals
- Remote control TV doorbell power circuit
- Head amplifier dedicated power supply circuit
- Use LM317 to modify the regulated power supply circuit
- Basic application circuit of LM31705
- LM317 extended current circuit diagram







京公网安备 11010802033920号