Ultrasonic parking assistance system
Source: InternetPublisher:4zaqTD Keywords: ultrasound Updated: 2025/11/18

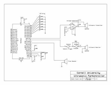
The basic principle of an ultrasonic parking assistance system is Sound Navigation and Ranging (SONAR) technology, which is used to locate the distance and direction of remote underwater objects by transmitting sound waves and detecting their reflections. First, a transducer that converts voltage into sound waves transmits a series of short ultrasonic pulses. The transmitted pulses are reflected from the object, and the reflected waves are then received by another transducer that converts sound waves back into voltage. The transmitted signal is called a "ping," and the received signal is called a "pong." By calculating the elapsed time between the ping and the pong, the distance between the device and the object can be easily calculated by multiplying the elapsed time by the speed of sound.




- Explore the Benefits of Multi-Channel Gate Drivers in Automotive Power Seats
- Making smart energy smarter with renewable energy storage
- Audio Adapter Cable - Upgrading Car Audio with MP3 Player
- Design of water management system based on Internet of Things
- Ways to deliver more than 100A to ADAS processors
- How to build a self-driving drone
- How to build an electric vehicle EV charger
- Digital display time relay circuit
- Gantry milling machine spindle control circuit
- Enhanced password lock circuit using AE1169
- 16-channel high-performance pulse generator, have you heard of it?
- Ultrasonic blind pathfinder circuit
- Ultrasonic remote control lighting switch circuit b
- Ultrasonic remote control dimmer light circuit
- Practical ultrasonic remote control transmitter circuit
- Subsonic fan speed control remote control circuit diagram
- SC41342 (general) infrared, ultrasonic or radio frequency remote control transmission encoding circuit-02
- Ultrasonic amplifier circuit with high amplification factor
- Ultrasonic receiver circuit diagram
- Ultrasonic receiver circuit diagram for returning the detected distance







京公网安备 11010802033920号