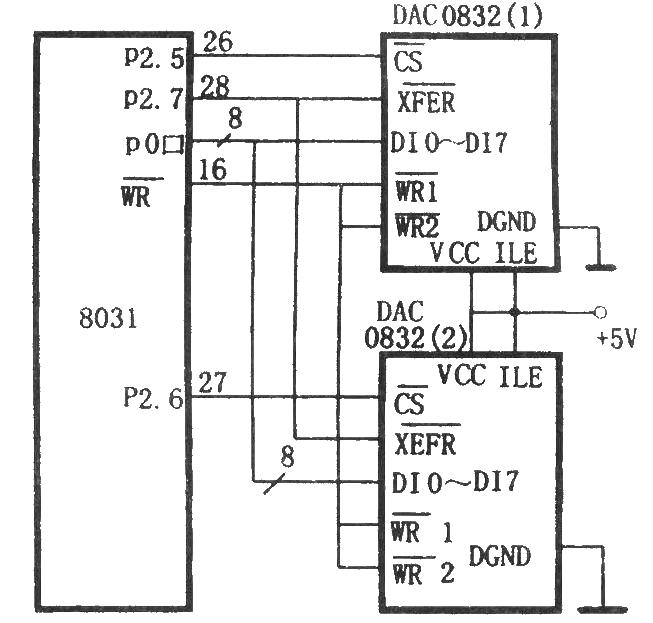
Double buffer synchronization interface composed of DAC0832 and 8031 microcontroller
Source: InternetPublisher:fish001 Updated: 2021/08/02
DAC0832DAC0832 is an 8-resolution D/A conversion integrated chip. Fully compatible with microprocessors. This DA chip is widely used in microcontroller application systems due to its advantages such as low price, simple interface, and easy conversion control. The D/A converter consists of an 8-bit input latch, an 8-bit DAC register, an 8-bit D/A conversion circuit and a conversion control circuit.
8031 is one of the most common mcs51 series microcontrollers. It is an early mature microcontroller product of Inter Company, and its application range involves all walks of life.

- Mobile phone call reminder
- Share an electronic touch organ circuit
- How to Make a Bass Boost Speaker Box
- How to implement semaphores and mutexes in FreeRTOS using Arduino
- How to make a clock Bluetooth IOT speaker using Arduino
- Ultrasonic dog chaser made by NE555
- How to use RFID to create an automatic roll call attendance system
- How to use the MP3 player from CATALEX
- How to create image processing solutions using HLS capabilities
- Input and output polarity reversal circuit composed of MAX660
- How does an optocoupler work? Introduction to the working principle and function of optocoupler
- 8050 transistor pin diagram and functions
- What is the circuit diagram of a TV power supply and how to repair it?
- Analyze common refrigerator control circuit diagrams and easily understand the working principle of refrigerators
- Hemisphere induction cooker circuit diagram, what you want is here
- Circuit design of mobile phone anti-theft alarm system using C8051F330 - alarm circuit diagram | alarm circuit diagram
- Humidity controller circuit design using NAND gate CD4011-humidity sensitive circuit
- Electronic sound-imitating mouse repellent circuit design - consumer electronics circuit diagram
- Three-digit display capacitance test meter circuit module design - photoelectric display circuit
- Advertising lantern production circuit design - signal processing electronic circuit diagram







京公网安备 11010802033920号