Nanoamp current detection circuit based on 100M
Source: InternetPublisher:难得正经 Updated: 2020/08/29

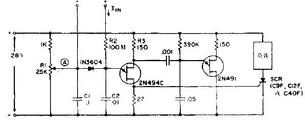
This circuit can be used as a sensitive current detector or a high input impedance voltage detector. Adjust R1 so that the voltage at point A is 1/2-3.1V lower than the ignition voltage of 2N494C. Only 40nA input current is needed to charge C2 and bring the gate level high to the ignition level. Once the 2N494C is turned on, capacitors C1 and C2 discharge through the 27Ω resistor, thus generating a positive pulse with sufficient amplitude to Trigger a semiconductor controlled rectifier or other pulse sensitive circuit.
- Homemade phone ringtones
- How to Make a Digital Taxi Meter Using Arduino
- IoT-based weather data logger
- How to Design a Solar Cellular Weather Station Using Particle Boron
- DIY a simple weather station
- The production of ultra-low-cost anti-theft system based on Blues wireless note card
- Share a fire sensor solution using MLX90640
- The production principle of high voltage self-defense flashlight and electric stick
- Production of electric mosquito killer
- Bookcase moth-proofing circuit made with 7556 dual-time base circuit
- How does an optocoupler work? Introduction to the working principle and function of optocoupler
- 8050 transistor pin diagram and functions
- What is the circuit diagram of a TV power supply and how to repair it?
- Analyze common refrigerator control circuit diagrams and easily understand the working principle of refrigerators
- Hemisphere induction cooker circuit diagram, what you want is here
- Circuit design of mobile phone anti-theft alarm system using C8051F330 - alarm circuit diagram | alarm circuit diagram
- Humidity controller circuit design using NAND gate CD4011-humidity sensitive circuit
- Electronic sound-imitating mouse repellent circuit design - consumer electronics circuit diagram
- Three-digit display capacitance test meter circuit module design - photoelectric display circuit
- Advertising lantern production circuit design - signal processing electronic circuit diagram







京公网安备 11010802033920号