Wideband Strain Gauge Signal Conditioner with Boosted Excitation Voltage
Source: InternetPublisher:通通 Keywords: Signal Conditioner Updated: 2025/07/04

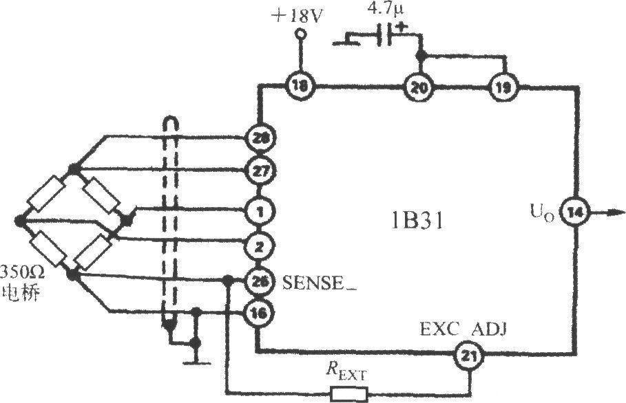
When the 19th pin of the broadband strain signal conditioner 1B31 is connected to the 20th pin, the excitation voltage UEXC output by the programmable bridge excitation source is 10V. To increase UEXC to 10~15V, a resistor REXT must be connected between the EXC ADJ terminal and the SENSE- terminal, as shown in the circuit. The REXT value is determined by the following formula (the unit of resistance is kΩ):

In the formula,

- 9V Battery Voltage Monitor
- Temperature monitor
- Schematic diagram and structural analysis of oscilloscope probe
- Simple electromagnetic field probe
- Homemade metal detector
- Add an inductor short circuit tester to your multimeter
- Humidity measurement circuit with temperature compensation
- Electrolytic capacitor activator
- A sensitive voltmeter made with an operational amplifier
- Analog capacitance measuring instrument composed of CD4013
- Paper thickness detection circuit
- Overcurrent detection circuit
- Bus door status detection circuit
- Combustible gas concentration detection circuit
- Static electricity detection circuit composed of LM324
- Underwater acoustic sensor detection circuit
- Light detection circuit with current output
- RMS sensor detection circuit
- Photodiode pollution gas detection circuit
- Gas concentration detection circuit







京公网安备 11010802033920号