Power outage and incoming call alarm
Source: InternetPublisher:张七岁 Keywords: Power outage alarm Updated: 2024/07/24
This alarm does not require a backup power supply, and does not require manual intervention when there is a power outage or a call. It will automatically stop working after a few seconds. The circuit is very simple. It is for audiophiles to make reference.
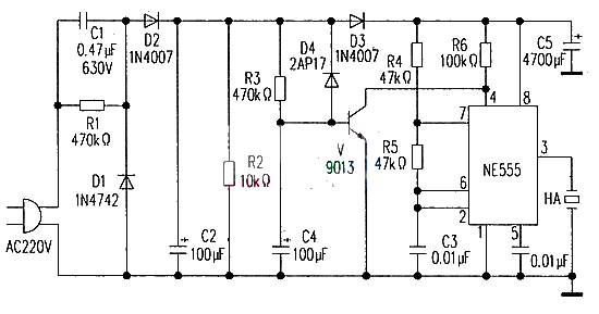
See the attached diagram for the circuit. When in use, plug the alarm into the mains socket. The circuit is powered by capacitor C1 for voltage reduction, diode D2 for rectification, and 12V voltage regulator 1N4742 for voltage stabilization. When the call just comes in, since the voltage across capacitor C4 cannot change suddenly and is approximately 0, transistor V is cut off, the total reset terminal ④ of the time base circuit NE555 is at a high potential, and the integrated circuit NE555 connected to the oscillation circuit starts to oscillate, making the buzzer HA sound, notifying the line of the incoming call. As C4 is continuously charged through R3, transistor v enters the saturation state, NE555's ④ pin becomes low, the oscillator stops oscillating, and HA stops sounding.
When the power is off, capacitor C4 is discharged quickly through diode D4 and resistor R2. Since D4 is a germanium diode with a forward voltage drop of only 0.2V, the voltage across C4 is quickly reduced to about 0.2V, causing transistor v to be cut off again, and the reset terminal ④ of NE5551 becomes high potential. At this time, the large-capacity capacitor C5 supplies power to the oscillation circuit, causing HA to sound and inform the line of power outage. When C5 is discharged to a point where it is insufficient to maintain the circuit oscillation, the buzzer HA stops reporting.
Adjusting the resistance value of resistor R3 can change the ringing time of HA when a call comes in. Increasing or decreasing the capacity of capacitor C5 can change the ringing time of HA when a power outage occurs. Diode D3 can ensure that C5 only supplies power to the oscillation circuit when a power outage occurs. Other components are selected as marked in the figure, without special requirements.
When making it, find a used mobile phone charger that is slightly larger in size, dismantle its internal circuit, solder the circuit components shown in the figure onto a universal board with appropriate area and shape, and install it into the charger casing. Generally, it can work without any debugging.

- Voice-activated switch
- Alternating forward and reverse motor driver
- Alarm telephone dialer based on MT8880 and PIC 16F84A
- Ultrasonic insect repellent
- Basic stepper motor control circuit
- Countdown relay timer
- High-loudness piezoelectric alarm buzzer
- Create a Smart Brightness Controlled Lamp Using a Motion Sensor
- Infrared wireless remote control water dispenser
- Comparison of control circuits for reduced voltage starting methods of squirrel cage asynchronous motors
- Simple timing control circuit
- Photocell amplification control circuit
- Electronic rhythm control circuit
- time control circuit
- Assembly line outage monitoring circuit
- High-rise residential walkway lighting control circuit
- Multi-pole leakage protector circuit b
- Photoelectric detection output control circuit
- Small power electric heater temperature detection control circuit
- DC motor forward and reverse control circuit







京公网安备 11010802033920号