Analysis of the dual-purpose wireless intercom
Source: InternetPublisher:他们逼我做卧底 Keywords: FM walkie-talkie Updated: 2025/03/18
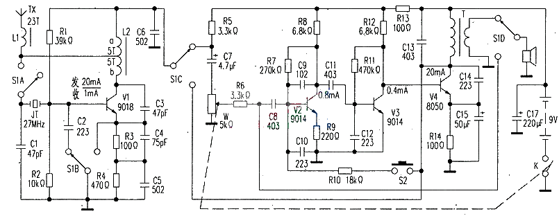
This dual-purpose wireless walkie-talkie has a unique design. It uses only 4 transistors for transmission and reception, and is crystal-oscillator-stabilized. It is a simplex FM format. In addition to wireless intercom, it can also be used for Morse code transmission and reception practice.
1. Working Principle (Circuit as shown in the attached figure)
1. Receiving state In order to shorten the antenna length, the machine adopts the inductance method and L1 is connected in series in the antenna loop. S1A short-circuits JT (S1 is placed in the receiving state in the attached figure). C2, C5, and C6 have large capacities and are regarded as "short circuits" for high-frequency signals. Its basic form is a capacitor feedback three-point oscillator. Due to the small resistance of R3 (100Ω), the Q value of the resonant circuit of L2 and C' [C'=C3・C4/(C3+C4), C3 and C4 are connected in series] is reduced. If the circuit has started to oscillate, the low-Q resonant circuit will gradually weaken the intensity of the oscillation until it stops. When the circuit stops oscillating, the gain of V1 increases, and the circuit resumes oscillation. During oscillation, the reverse bias voltage generated by the rectification of the emitter junction of V1 on C2 reduces the gain. At this time, the low-Q resonant circuit will stop V1 from oscillating. Thus, the working process of V1 oscillation - stop oscillation - re-oscillation - stop oscillation is the intermittent oscillation process of super regeneration, which completes the super regeneration detection of the received signal. The receiving circuit is simple and has high sensitivity.
The audio signal obtained by super regenerative detection is sent to the volume potentiometer through the coupling capacitor C7, and injected into the base of V2 through the series resistor R6 and C8. At this time, V2, V3, and V4 form a three-stage audio amplifier. In order to filter out the residual super audio signal and high-frequency interference after super regenerative detection, a low-pass circuit of C10, C12~C14 is set, and C9 is a Miller integrating capacitor. Both V2 and V3 use the voltage negative feedback bias provided by R7 and R11 to stabilize the circuit working point. The final power amplifier V4 uses a Class A single-ended transformer output, mainly because this configuration of V4 can be compatible with the audio oscillator formed with V2 and V3 when sending a message. The working current of this stage is relatively large, resulting in poor stability of the transistor. In particular, the emitter of V4 is connected to R14 and AC bypass capacitor C15 to stabilize the working point and reduce signal loss. R13 and C16 are power supply filter networks. 2. Transmitting state Switch S1 to the transmitting state, the speaker that was originally used for playback becomes a receiver, which is connected to the input end of v2 through S1D. R6 is an isolation resistor, so that no matter where the w wiper is, it has no effect on the receiver and V2~V4. When transmitting, the audio signal obtained from the speaker is amplified step by step by V2, V3, and V4, and sent to the carrier oscillation stage for modulation by the collector of V4. At this time, V1 is a carrier oscillator and also serves as a high-frequency power transmitter. S1B short-circuits the emitter resistors R3 and R4 of V1, increasing the current of v' to meet the high-frequency power transmission requirements.

It should be noted that since the circuit oscillation frequency is higher than the resonant frequency of the L2a and C1 loop, L2a and C1 in parallel are still equivalent to a capacitor element. Obviously, the oscillation frequency of this capacitor three-point oscillator is determined by the oscillation frequency of the crystal oscillator, and the stability of the crystal oscillator frequency gives the walkie-talkie a good frequency stability.
3. Morse code receiver and transmitter This machine only adds feedback resistor R10 and transmitter button S2 (replace the φ6.5mm socket to insert the key). When S2 is pressed, the modulated voltage amplifier composed of V2, V3, and V4 becomes an audio oscillator. The signal output by the collector of V4 is fed back to the base of V2 through R10. From the input and output phase analysis of the transistor, this is a negative feedback circuit. In order to meet the phase conditions required for oscillation, an additional phase shift of 180° is required to transform negative feedback into positive feedback. This additional phase shift is mainly provided by C9. When the output signal of V4 is added to the base of V2 through R10, the voltage across C9 cannot change suddenly. In the transient state, the signal of the collector of V2 "follows" the signal change of the base, that is, the signals between the collector and base of V2 are in phase. Affected by the fluctuation of power supply voltage and transistor parameters, the audio oscillation frequency of this oscillator is about 1.5kHz.
2. Common fault troubleshooting
1. The sound received by the A-device is very low. After checking, it was found that the transparent plastic basin of the speaker was cracked. I glued it again with 502 glue and the fault was solved.
2. The communication distance is too close (≤15m]. Inspection found that the L2 core was loose. After fine-tuning, it was sealed with wax and the fault was eliminated.
3. Radio B cannot receive the voice of Radio A. JT, V1, S1 and power supply of Radio A are all good. The primary circuit of T is broken. The fault is eliminated after replacing the transformer with a small radio output transformer.
4. When the intercom is turned on, there is a "clicking" sound in both A and B units, and sometimes A can hear the voice of B intermittently. After checking the W, it was found that the W of A unit was worn. After cleaning it with alcohol and slightly changing the track of the W contact, the noise disappeared. After checking the W of B unit, it was found that its contact was broken. It was replaced with a 5KΩ potentiometer and the space inside the contact was filled with paste grease. The intercom returned to normal.
5. When sending Morse code with machine B, the sound received by machine A was dull and unclear. After checking that the feedback resistor R10 had changed value (about 60kΩ), it was replaced with a 20kΩ resistor, and the sound was clear and bright, and it worked normally.
- Using an RF 433MHz transceiver module with an Arduino
- 1 km power FM transmitter
- Single-tube voltage-controlled oscillator frequency modulation transmitter
- AM radio transmitter based on 555 chip
- 3V power supply 2 tube FM microphone
- AM transmitter circuit using CD4049
- RS-485 Basics: When Termination Is Required, and How to Do It Correctly
- The simplest FM microphone circuit diagram (wireless microphone circuit diagram)
- TDA7000 single-chip FM radio circuit diagram
- Superheterodyne receiver module CS906
- TDA7010T+LM386 FM walkie-talkie circuit diagram
- USB communication circuit
- Indoor unit communication circuit
- Two-way communication circuit circuit diagram
- Long distance serial communication circuit
- CAN bus communication circuit
- Wireless transmitter circuit diagram
- Time division multiplexing stereo decoder circuit
- Design of wireless transmitting and receiving circuit based on Bluetooth
- Fiber optic transceiver circuit diagram







京公网安备 11010802033920号