8-channel infrared remote control
Source: InternetPublisher:OvW31 Keywords: Infrared remote control Updated: 2026/02/11

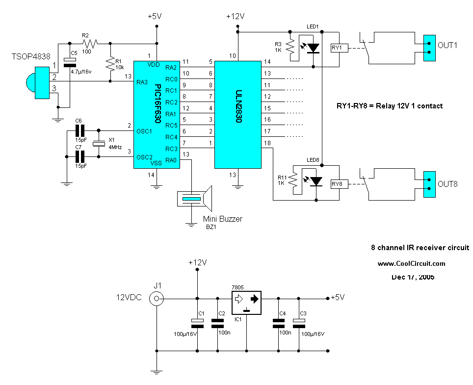
8-channel infrared remote control
This infrared remote control can be used to control other devices or circuits, up to eight devices. Control codes are sent in RC5 format, modulated to a carrier frequency of approximately 38 kHz. The infrared transmitter is powered by a CR2016, a 3V button battery. To extend battery life, the CPU is kept in sleep mode most of the time, only waking up when a button is pressed.

- Dual-tone multi-frequency radio remote control
- Factory Driving Remote Control Production
- The Making of Computer Infrared Remote Control Receiver Circuit
- CD4013 remote control socket circuit
- Remote control switch circuit installed on VCD player
- Toy tank radio remote control circuit (HS101/HS201)
- How the infrared remote control mouse works
- Anti-electric shock verbal warning circuit
- LA4287 sound circuit
- The internal circuit of TDA7000 and its basic receiving circuit
- Infrared remote control switch circuit diagram composed of CD4017
- Household advance working remote control circuit - transmitter circuit
- Remote control circuit a composed of RX5019 and RX5020
- Household multi-channel infrared remote control circuit b
- Radio wireless remote control circuit b
- Centralized remote control circuit for motor shaft cluster
- Electric fan infrared remote control circuit-C
- Servo mechanism position remote control circuit diagram
- Practical DTMF encoding and decoding wireless remote control circuit
- Single button dual channel infrared remote control circuit







京公网安备 11010802033920号