Principle block diagram and circuit diagram of seven-tube AM radio
Source: InternetPublisher:拳制龙 Keywords: AM radio Updated: 2025/09/12
Principle block diagram and circuit diagram of seven-tube AM radio

Figure 1. Schematic diagram of a seven-tube AM radio.

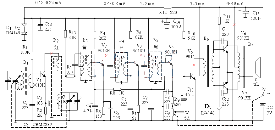
Figure 2. Circuit diagram of a seven-tube AM radio (“×” indicates the collector current test point; current reference values are shown above the diagram)
- MAX2606 VHF FM Transmitter
- BH1417 Phase-Locked Loop FM Transmitter
- Single-tube voltage-controlled oscillator frequency modulation transmitter
- 6-watt FM transmitter amplifier
- Biased CMOS phase-locked loop transmitter
- 1.5V miniature wireless FM microphone
- 2km FM transmitter
- Understand the inner workings of the CAN bus driver and how to debug the system
- Circuit diagram of intercom made with LM386
- nRF904 FSK 915 MHz Transmitter
- USB communication circuit
- Indoor unit communication circuit
- Two-way communication circuit circuit diagram
- Long distance serial communication circuit
- CAN bus communication circuit
- Wireless transmitter circuit diagram
- Time division multiplexing stereo decoder circuit
- Design of wireless transmitting and receiving circuit based on Bluetooth
- Fiber optic transceiver circuit diagram
- Square wave generation circuit







京公网安备 11010802033920号