Simple PC data acquisition circuit
Source: InternetPublisher:OBcB4cz9cN Keywords: Data collection Updated: 2026/01/23

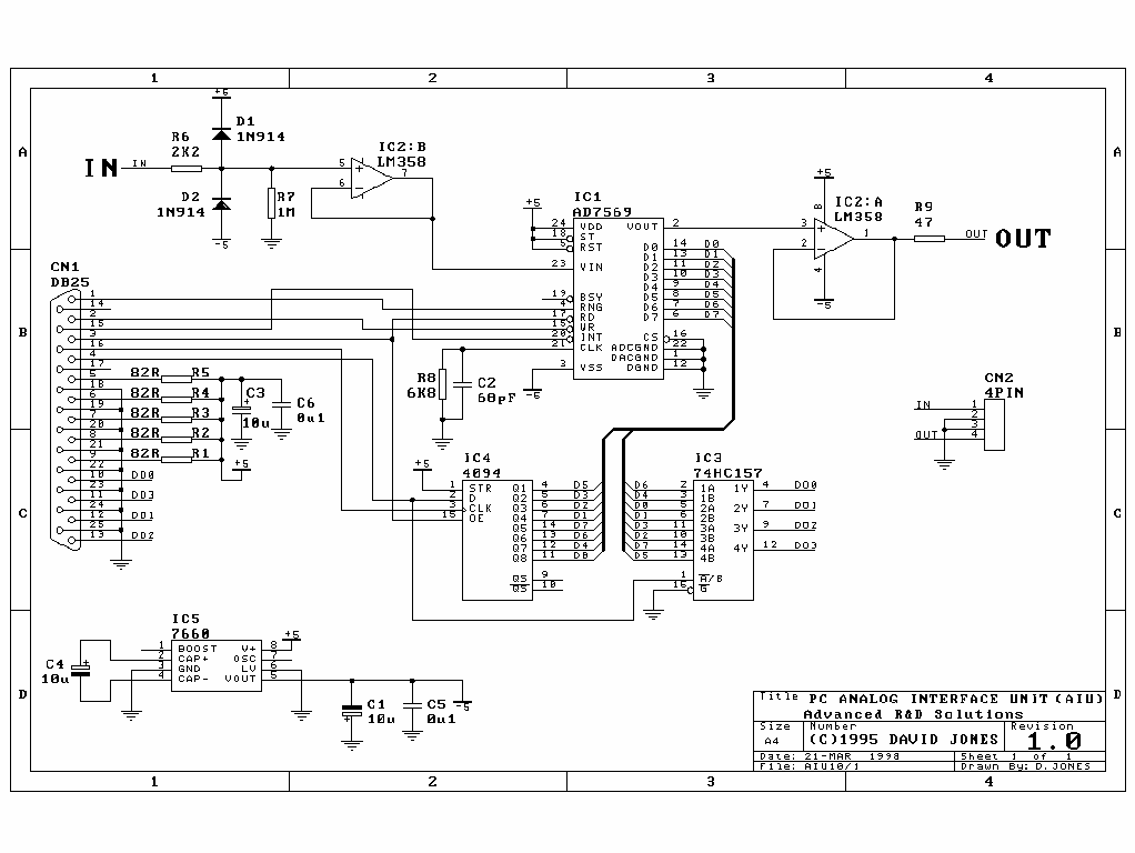
Simple PC data acquisition circuit
If you need to add simple data acquisition capabilities to your PC, then look no further; the Analog Interface Unit (AIU) is your best choice. An AIU is a simple circuit that connects to the PC's parallel port, allowing you to sample and output 8-bit analog signals under software control.
Here are some features:
* 8-bit analog-to-digital converter (ADC) and digital-to-analog converter (DAC)
Power supplied from the parallel port
* 1 megohm input impedance.
* Software-selectable +/-1.25V or +/-2.5V input and output ranges.


- TDA1010 9W Power Amplifier
- 300W LM3886 Power Amplifier
- LM386 general purpose amplifier
- Analysis of capacitors connected in series
- Introduction to the application of open collector output in high current load control circuit
- Switched Gain Op Amp as a Phase Detector or Mixer
- Gate resistor and bleeder resistor
- How to understand operational amplifiers in a simple and easy way
- OTL Class AB complementary symmetrical circuit
- Voltage Comparator Circuit
- 555 square wave oscillation circuit
- 555 photo exposure timer circuit diagram
- Introducing the CD4013 washing machine timer circuit diagram
- Simple level conversion circuit diagram
- 555 electronic guide speaker circuit diagram for blind people
- Circuit diagram of disconnection alarm composed of 555
- Analog circuit corrector circuit diagram
- color discrimination circuit
- Color sensor amplification circuit
- Level indication circuit







京公网安备 11010802033920号