The simplest micro amplifier
Source: InternetPublisher:ghaytweyhtoo Keywords: megaphone Updated: 2024/07/02
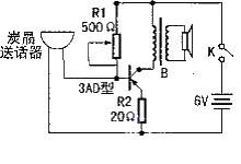
We use a carbon microphone removed from an old telephone and several commonly used electronic components to assemble a simple miniature amplifier that does not require adjustment and has clear and loud sound quality. It is very interesting. The sound amplification effect is quite good in some small spaces. The specific circuit diagram is shown in the attached figure.
Component selection: The carbon microphone is removed from the receiver of an old telephone. The high-power triode uses 3AD17, and 3AD18 can also be used. However, in order to reduce the noise generated during sound amplification, the triode requires the penetration current to be as small as possible, but the larger the amplification value of the tube, the better, generally it should be above 70-90. The speaker and output transformer can be used on a transistor radio, and the power battery uses a 6-volt laminated battery, or a rechargeable battery and a rectifier power supply.

Installation and sound testing: Solder several components onto a long strip printed circuit board, find a medium-sized plastic flashlight, unscrew the flashlight hood to remove the glass, reflector and small electric bead, then install the carbon crystal microphone inside the hood, and solder the microphone lead to the circuit board. Drill two 3mm holes at the front end of the flashlight, install a micro power button switch and a two-core socket, and after all the wiring connections are soldered, insert the battery and circuit board into the flashlight, and finally screw on the flashlight hood with the microphone installed. When testing the sound, insert the plug with the speaker lead into the socket at the front end of the flashlight, turn on the power switch and aim it at the microphone speaker, and a loud amplified sound will be heard. (If the reader is interested in connecting a music integrated circuit in series in the circuit, it will become a dual-purpose amplification and playback machine).
When debugging the sound amplification, if the sound of the speaker is a little distorted, dull, or the volume is not loud enough, you can adjust the resistance value of R1 appropriately, and play the sound while adjusting until the sound quality is loud and not distorted.
- Gain Cloning Power Amplifier LM3886
- USB Audio Digital-to-Analog Converter
- LM3886 power amplifier with custom chassis
- LM3876 Gain Cloning Amplifier
- 200W MOSFET power amplifier
- Stereo audio amplifier using TDA2616
- Speaker protection with soft start function
- 25-watt MOSFET audio amplifier
- 4-channel stereo selector
- Using LM3886 to make a 50W high quality power amplifier circuit
- Bus amplifier circuit using TDA2005S
- Excellent performance portable amplifier
- Homemade fully integrated circuit amplifier 02
- Homemade fully integrated circuit amplifier 01
- Introducing a wide-band tube amplifier
- Matching circuit between record player and amplifier
- 3W semiconductor amplifier circuit
- 20W bus radio and amplifier circuit
- 20W bus radio and amplifier circuit
- Amplifier timer.gif







京公网安备 11010802033920号