- 555 Circuits555-Delay Timer Circuits555-Power Conversion Circuits555-Trigger Switch555 Structural Principle555-Audio/TV555-Instrumentation555 Monostable Circuits555-Saving Water and Electricity555-Refrigerator, Washing Machine555 Time Base Circuits555-Infrared Remote Sensing555-Lighting, Lanterns555-Protection Circuits555-Measurement555-Astable Circuits555-Agricultural and Sideline Industry Circuits555-Automatic Control555-Game Circuits555-Daily Electronics555-Medical Circuits555-Communication Remote Control Circuits555-Automotive Circuits555-Air Conditioning, Temperature Control
- Optoelectronic CircuitsPhotoelectric Detection CircuitsPhotoelectric Counting CircuitsPhotoelectric Transmission CircuitsDigital Display CircuitsPhotoelectric Alarm CircuitsPhotoelectric Measurement CircuitsPhotoelectric Oscillation CircuitsOptoelectronic Toy CircuitsPhotoelectric Probe CircuitsPhotoelectric Clock and Timing CircuitsPhotocell Charging CircuitPhotoelectric Detection CircuitsCCD Application CircuitsPhotoelectric Flash CircuitsPhotoelectric Touch CircuitsOther Optoelectronic CircuitsPhotoelectric Lighting CircuitsOptoelectronic Interface CircuitsPhotoelectric Drive CircuitsPhotoelectric Isolation CircuitsPhotoelectric Receiving CircuitsPhotoelectric Thermometer CircuitsPhotoelectric Control CircuitsLCD Display CircuitsPhotoelectric Emission and Sun Adjustment CircuitsGrating Circuits/Optical AmplifierPhotoelectric Frequency Meter CircuitsPhotoelectric Amplifier CircuitsOptoelectronic Music CircuitsPhotoelectric Switch CircuitsOptoelectronic Display Circuits
- Remote Control Circuits
- Detection Circuits
- Control CircuitsTiming CircuitsUltrasonic Remote Control CircuitsTemperature Control CircuitsTemperature Control and Speed RegulationThyristor Control CircuitsOther Control CircuitssProtection CircuitsPulse CircuitsInfrared Thermal Release Remote Control CircuitsLighting ControlAlarm CircuitsRelay Switch Control CircuitsAutomatic ControlRemote Control System Integrated CircuitsIntegrated Remote Control CircuitsRemote Control CircuitsHome Remote Control System Integrated CircuitsAlarm Control CircuitsComplete list of remote control CircuitsSwitching CircuitsMotor ControlPLC CircuitsMicrocontrollerIndustrial Control
- Signal ChainHigh Frequency OscillatorLow Frequency Signal GenerationIF Signal GenerationHigh Voltage GeneratorSignal OccursVoltage Controlled Signal GeneratorFM Signal GenerationFunction Signal GeneratorNoise GeneratorVenn Signal GenerationDetection Signal GenerationOscillation CircuitsThree-phase Signal GenerationFrequency SynthesizerSurround Sound GeneratorMultivibrator GenerationMultiple Frequency Signal GenerationOther Signal GeneratorsProgrammable Signal GenerationAnalog Signal GenerationSecond Signal GenerationBroadband Signal GenerationHigh Frequency Signal GenerationPulse Signal generatorSinusoidal Signal GenerationIntegrated Circuits Constitute Signal GenerationADC
- Basic CircuitsModulation and Impedance Conversion CircuitsDigital CircuitsAnalog CircuitsSensor CircuitsSilicon Controlled PhaseOperational Amplifier CircuitsLED CircuitsTrigger/Flip CircuitsAmplifying CircuitsBasic Practical CircuitsGeneral KnowledgeIndicator Light CircuitsDigital-Analog CircuitsDigital Tube CircuitsRectifier CircuitsLogic Circuits
- Analog Circuits
- Electronic Repair
- Power CircuitsRectifier UnitOther Power CircuitsElectronic BallastReference SourcePower CircuitsSwitching AC to DC (AC-DC)Switching Regulated Power SupplyTransistor Regulated Power SupplyInverter Power SupplyIGBT Application CircuitsConstant Current SourceRegulator CircuitsCharging CircuitsIntegrated Regulated Power SupplySwitching Power Supply CircuitsPulse Power SupplyLinear Regulated Power PupplyCommunication Power PupplyAC Regulated Power PupplyMonitor Power PupplyPower Supply CircuitsSwitching DC to DC (DC-DC)Common Power Unit CircuitsLED Ddriver CircuitsPower Electrician CircuitsPower Supply
- Microcontroller
- Consumer Electronics
- Audio/Video Circuits
- Communication Circuits
- Other
- Industry Application
Volume Control
Infrared remote control volume controlUpdated: 2026/03/24
DS1802 Volume ControlUpdated: 2026/01/13
Two-channel control circuit volume controlUpdated: 2021/11/30
Two-channel control circuit volume controlUpdated: 2020/07/27
Two-channel control circuit volume controlUpdated: 2021/07/22
controller volume controlUpdated: 2020/03/27
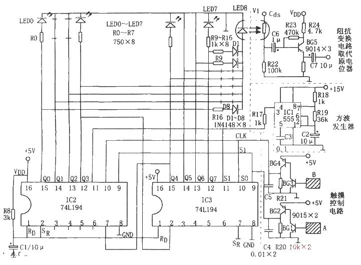
Controller circuit diagram touch volume controlUpdated: 2020/10/31
Control circuit diagram volume controlUpdated: 2021/08/04
Color light circuit volume controlUpdated: 2020/04/21
Control circuit BSP volume control power savingUpdated: 2020/04/02
Noise reduction volume control control circuitUpdated: 2021/05/07
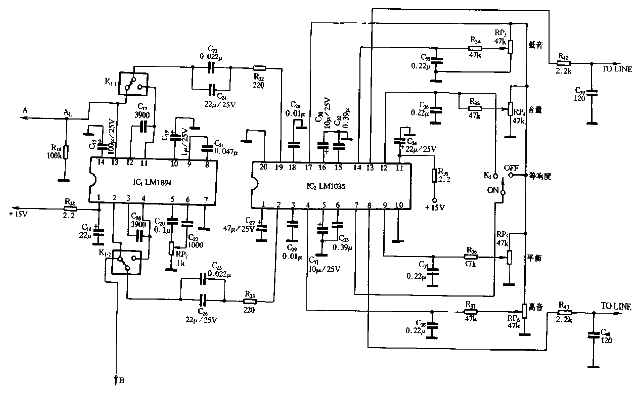
BSP volume control SRSUpdated: 2021/03/22
BSP volume control SRSUpdated: 2021/01/06
Control circuit volume control CPUUpdated: 2020/11/18
- TL431 functional pin diagram, DC linear regulated power supply solution based on TL431
- LM317 integrated voltage stabilizing circuit
- 1.2-36V 5A Adjustable Power Supply (Based on LM317)
- Induction cooker circuit diagram
- Speaker protection and mute
- 8W Broadband FM Radio Frequency Amplifier
- TDA2030A subwoofer circuit diagram
- BA1404 transmitter with UPC1651 RF amplifier
- 8W PLL phase-locked loop stereo transmitter with LCD display
- 76-110MHz band FM radio transmitter
- LM317 integrated voltage stabilizing circuit
- Computer motherboard circuit diagram 830_58
- Capacitor step-down voltage stabilized power supply circuit diagram
- SCR AC voltage regulator circuit
- Three motors start sequentially and stop circuit in reverse sequence
- Solar Flash Light
- Practical doorbell circuit
- Induction cooker circuit diagram
- IC555 circuit diagram based on monostable multivibrator
- Complete induction cooker circuit diagram 2





















京公网安备 11010802033920号