Current direction demonstrator (CD4017, NE555)
Source: InternetPublisher:桂花蒸 Keywords: Current Updated: 2025/07/04
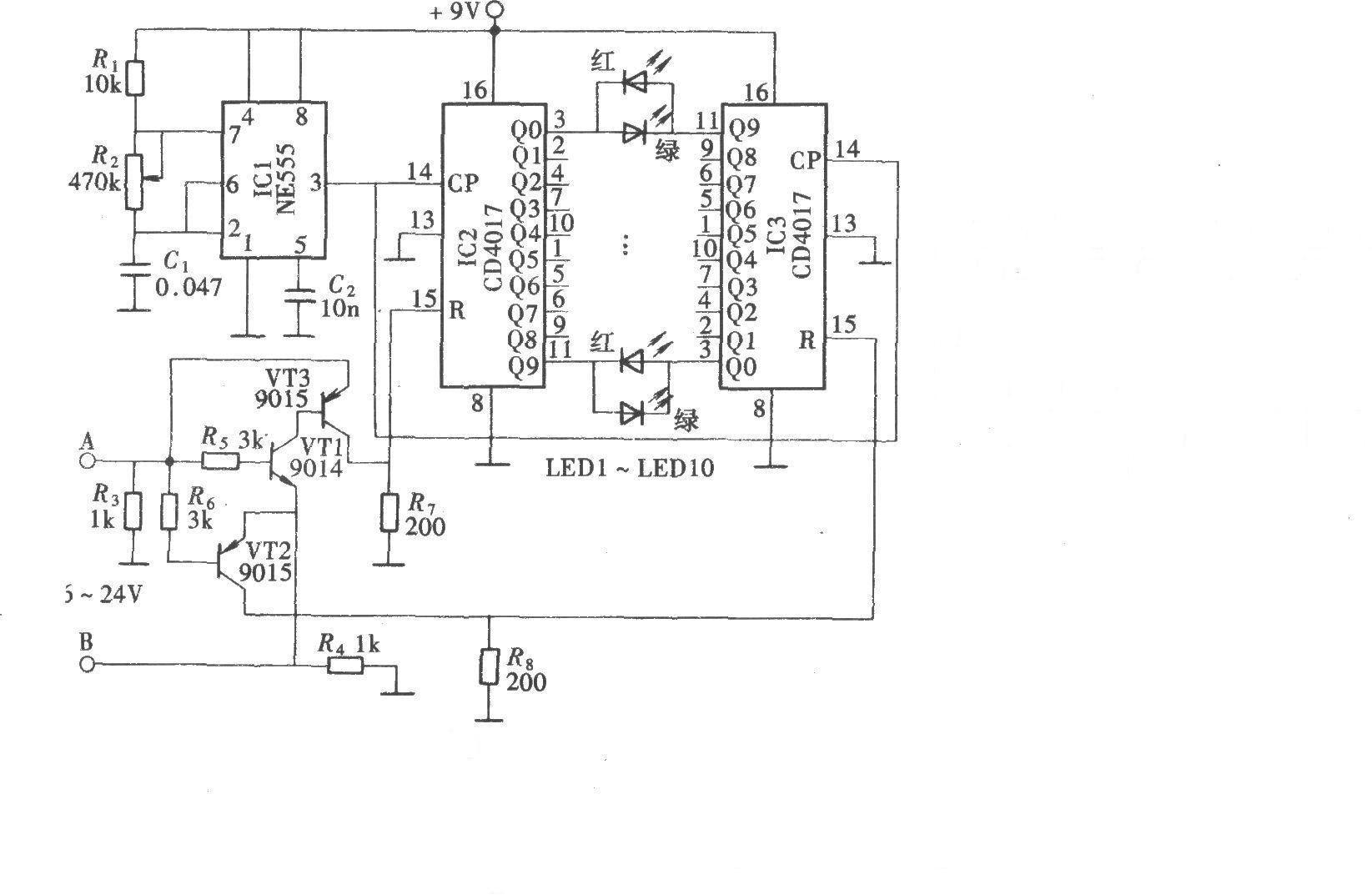
In the teaching of electricity in physics, the flow of current, the change of magnetic field, the charging and discharging of capacitors, etc. are all abstract physical phenomena that are not easy to be intuitive. The figure shows a small instrument made of CMOS digital circuit for simulation demonstration. This circuit uses the decimal counter/pulse distributor CD4017, with red and green light-emitting diodes, to form a "current direction demonstrator" that simulates the direction of current flow.

- Simple PC data acquisition circuit
- Water level indicator with alarm function
- Introduction to Photosensitive Devices
- Preventing Output Polarity Reversal in High-Speed Amplifiers
- Diode and gate circuit schematic diagram and principle analysis
- Constant voltage drop model of diode
- Common source amplifier circuit diagram
- H-bridge drive circuit principle
- Voltage Comparator Circuit
- Current direction demonstrator (CD4017, NE555)
- 555 square wave oscillation circuit
- 555 photo exposure timer circuit diagram
- Introducing the CD4013 washing machine timer circuit diagram
- Simple level conversion circuit diagram
- 555 electronic guide speaker circuit diagram for blind people
- Circuit diagram of disconnection alarm composed of 555
- Analog circuit corrector circuit diagram
- color discrimination circuit
- Color sensor amplification circuit
- Level indication circuit







京公网安备 11010802033920号